「密閉配管セット108」は、密閉配管に必要な部材が一つになったセットです。
暖房密閉回路からエアーを発散し、余分な圧力からシステムを保護するために使用されます。
最高使用温度は、110℃です。(蒸気使用不可)
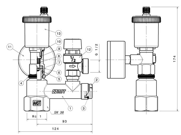
型式 :IMT108
配管接続口径 :Rc 1"
安全弁吹出口口径 :1/2"
安全弁設定値 :0.15MPa
最高使用温度 :110℃(蒸気使用不可)
|
構成部品/材質 |
サイズ | |
| ① |
本体 ST-UNIEN 12165-CW617N 黄銅 |
Rc 1" |
| ② |
プラグ(Oリングシール) TN-UNIEN 12164-CW614N 黄銅 |
1/2" |
| ③ |
Oリング NBR70 NBR 70 |
17.12x2.62 |
| ④ |
ロックリング TN-UNIEN 12164-CW614N 黄銅 |
1/2x265lv |
| ⑤ |
シールリング P.T.F.E |
1/2"PTFE x265VERDE |
| ⑥ |
異径部材 ST-UNIEN 12165-CW617N 黄銅 |
3/8"x1/2" |
| ⑦ |
Oリングコネクター NBR 70 |
111 3/8" 6.4x1.9mm |
| ⑧ |
ステンレス鋼バネ AISI 302 |
111 3/8" |
| ⑨ |
プラスチックシャッター ポリプロピレン |
111 3/8" |
| ⑩ |
Oリング NBR70 NBR 70 |
111 3/8" 17x2mm |
| ⑪ | 圧力ゲージ |
1/4" x0-0.2MPa |
| ⑫ | 安全弁 |
1/2"x1.25bar (0.125MPa) |
| ⑬ | 自動エア抜き弁 | 3/8" |
カタログのダウンロードは、こちらから
株式会社ナラトモ 〒036-8061 青森県弘前市神田2-3-1 TEL:0172-38-2030 info@naratomo.co.jp
