ロックシールドバルブ "Combi 2"
ストレート形
15A item no.1091162
20A item no.1091163
セントラルヒーティングおよび冷水回路用の比例プリセット付リターンバルブ
ラジエターのプリセットと分離用
真鍮製ニッケルメッキボディ
EPDM製Oリングシール付真鍮製バルブディスク
ねじ込み式及び圧縮継手用
材質:真鍮
表面:ニッケルメッキ
kvs :1.7
サイズ:DN15、20
最大操作圧力:10bar
最高使用温度:120℃
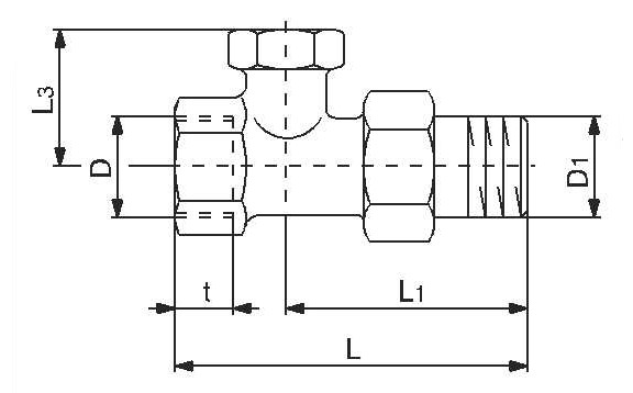
| 呼び径 | D | D1 | L | L1 | L3 | t |
| 15A | Rp 1/2 | R 1/2 | 80 | 53.5 | 30 | 13.2 |
| 20A | Rp 3/4 | R 3/4 | 91 | 62 | 30.5 | 14.5 |
株式会社ナラトモ 〒036-8061 青森県弘前市神田2-3-1 TEL:0172-38-2030 info@naratomo.co.jp
